
一体化净水处理设备
以质量求生存,以信誉求发展,以服����� �������Ƴ������������ �������Ƴ����������� �������Ƴ������������ �������Ƴ�������务赢市场
所属分类:一体化净水设备
发布日期:2023-11-20
一体化净水处理设备相比传统滤池设备具有体积小、易运输安装����� �������Ƴ������������ �������Ƴ������������ �������Ƴ������������ �������Ƴ������、自动运行、自动反洗、无耗能����� �������Ƴ������������ �������Ƴ������������ �������Ƴ������������ �������Ƴ�������、耐腐蚀等特点。高效去除河水、山泉、水����� �������Ƴ������������ �������Ƴ������������ �������Ƴ������������ �������Ƴ������库等地表水中泥沙、藻类、细菌、悬浮物、铁锰����� �������Ƴ����������� �������Ƴ������������ �������Ƴ������������ �������Ƴ�������离子、异味等,将地表水净化成符合《生活饮用水卫����� �������Ƴ������������ �������Ƴ������������ �������Ƴ������������ �������Ƴ�������生标准》GB5749-2022要求的清洁生活用水。
一、设备适用水质
1、Ⅰ类、Ⅱ类、Ⅲ类地表水;
2、浊度<200NTU的原水可直接进入设备过滤;
3、原水浊度<3000NTU,通过系统设计,处理后达到《生����� �������Ƴ������������ �������Ƴ������������ �������Ƴ������������ �������Ƴ������活饮用水卫生标准》GB5749-2022相关水质指标要求。
二、设备进出水要求
进水指标:
1、进水:河流、沟渠、水库、山泉等地表水源或����� �������Ƴ������������ �������Ƴ������������ �������Ƴ������������ �������Ƴ�������地下水(需要检测水样);
2、适用浊度:100~3000NTU;
3、水温:2℃~30℃;
4、供电:一体化净水设备不用电(其他设备如需用电,按照相关要求提供)����� �������Ƴ������������ �������Ƴ������������ �������Ƴ������������ �������Ƴ������
出水标准:
1、出水浊度:0.3~1NTU(根据用户需求调整);
2、色度:<15°;
4、总溶解性固体含量:TDS<200PPM;
6、出水标准:符合《生活饮用水卫生标准》����� �������Ƴ������������ �������Ƴ������������ �������Ƴ������������ �������Ƴ�������(GB5749-2022)相关指标要求;

三、处理工艺流程
原水经提升泵(自流时可取消)进入一体化净水处理����� �������Ƴ������������ �������Ƴ������������ �������Ƴ������������ �������Ƴ�������设备前加入絮凝剂,混合后通过进����� �������Ƴ������������ �������Ƴ����������� �������Ƴ������������ �������Ƴ�������水管进入设备混凝室絮凝,大颗粒絮凝����� �������Ƴ������������ �������Ƴ������������ �������Ƴ������������ �������Ƴ�������体在斜管沉淀器沉淀,沉淀后的水经曝气装置去����� �������Ƴ������������ �������Ƴ������������ �������Ƴ������������ �������Ƴ�������除异味、有机物,充分融氧后分流进入过滤器,通过多����� �������Ƴ������������ �������Ƴ������������ �������Ƴ������������ �������Ƴ�������介质复合滤料层净化水质,出水经二次融氧后消毒在����� �������Ƴ������������ �������Ƴ������������ �������Ƴ������������ �������Ƴ�������流入蓄水池,完成对原水的净化。����� �������Ƴ������������ �������Ƴ������������ �������Ƴ������������ �������Ƴ�������
一体化净水处理设备,整个过程自动化运转,不需����� �������Ƴ������������ �������Ƴ����������� �������Ƴ������������ �������Ƴ������要人为干预操作,无需专业管理人员,无论各����� �������Ƴ������������ �������Ƴ������������ �������Ƴ������������ �������Ƴ�������类自来水厂、山区农村、社区都可做到便����� �������Ƴ������������ �������Ƴ������������ �������Ƴ������������ �������Ƴ�������捷运输、快速安装、运行使用。
四、主要技术参数
原水浊度:≤1500毫克/升,短期可达3000毫克/升
出水浊度:≤1NTU(特殊情况≤3NTU)
反应时间:10~20分钟
稳流区流速:1.8~2.7毫米/秒
冲洗强度:14~16升/平方米•秒
冲洗时间:2~8分钟
进水水头:≥8米

五、设备净水过程
一体化净水处理设备
1、混凝沉淀降低浊度:
水中杂质悬浮物及胶体颗粒在絮����� �������Ƴ������������ �������Ƴ������������ �������Ƴ������������ �������Ƴ������凝作用下生成粗大矾花,利于����� �������Ƴ������������ �������Ƴ������������ �������Ƴ������������ �������Ƴ�������后续固液分离;
矾花水上升至沉淀区自动沉淀,实����� �������Ƴ����������� �������Ƴ������������ �������Ƴ������������ �������Ƴ�������现初步固液分离,即减轻过滤系统负担,也可节约����� �������Ƴ������������ �������Ƴ������������ �������Ƴ������������ �������Ƴ�������反冲洗用水。
2、曝气充氧活化水质:
模拟“瀑布跌水”方式,水与空气接触融入大量溶解氧����� �������Ƴ������������ �������Ƴ������������ �������Ƴ������������ �������Ƴ�������,与污染物发生氧化反应,����� �������Ƴ������������ �������Ƴ������������ �������Ƴ������������ �������Ƴ������去除部分有害物质;
曝气将水中氨气、二氧化碳等有����� �������Ƴ������������ �������Ƴ������������ �������Ƴ����������� �������Ƴ������害气体溢出,增强了污染物凝聚效果,有利����� �������Ƴ����������� �������Ƴ������������ �������Ƴ������������ �������Ƴ�������于后续过滤。
3、高效过滤截留污染物:
水中残留的细小矾花、颗粒污染物等被复合介质精滤����� �������Ƴ������������ �������Ƴ������������ �������Ƴ������������ �������Ƴ�������层截留,保证出水浊度0.4~1NTU;
滤层采用3~7种滤料组成的复合滤层,可以����� �������Ƴ������������ �������Ƴ������������ �������Ƴ������������ �������Ƴ�������将细小固体微粒截留在滤层中,去污率99%以上;
过滤器具有自动反冲洗功能,节省人力����� �������Ƴ������������ �������Ƴ������������ �������Ƴ����������� �������Ƴ�������操作;配置手动强制反冲洗控制器可����� �������Ƴ������������ �������Ƴ������������ �������Ƴ������������ �������Ƴ�������手动反洗。
4、自动反冲洗自动排污:
滤层污物增加导致过滤阻力增大,到达设计条件����� �������Ƴ������������ �������Ƴ������������ �������Ƴ������������ �������Ƴ������时自动对滤层反冲洗,废水流到底部污水����� �������Ƴ����������� �������Ƴ����������� �������Ƴ������������ �������Ƴ�������槽中排出;
冲洗结束后滤层自动排列复位,恢����� �������Ƴ������������ �������Ƴ����������� �������Ƴ������������ �������Ƴ������复过滤功能。反洗用水由水箱提供,冲����� �������Ƴ������������ �������Ƴ������������ �������Ƴ������������ �������Ƴ�������洗强度5~16l/s·m2,历时3~6分钟。

六、操作保养
1、设备在安装使用时应查看检验所����� �������Ƴ������������ �������Ƴ������������ �������Ƴ������������ �������Ƴ�������有管道接口是否扭紧,不能漏气、漏水����� �������Ƴ����������� �������Ƴ������������ �������Ƴ������������ �������Ƴ�������,清除设备内因施工可能留下的杂物,检验无误后����� �������Ƴ������������ �������Ƴ������������ �������Ƴ������������ �������Ƴ�������按照滤材质量从大到小填装。
2、调试设备时,先另用管道从����� �������Ƴ������������ �������Ƴ������������ �������Ƴ������������ �������Ƴ�������滤池上部进水,待水满后再开机����� �������Ƴ������������ �������Ƴ������������ �������Ƴ������������ �������Ƴ�������正常进水,每格滤池能自动反����� �������Ƴ������������ �������Ƴ������������ �������Ƴ������������ �������Ƴ������冲洗两次(视滤料冲洗干净为止),反冲洗正����� �������Ƴ������������ �������Ƴ������������ �������Ƴ����������� �������Ƴ�������常后,调整进水量,使进水量为设计处理水量的1/3,开启投药设备加药,待设����� �������Ƴ������������ �������Ƴ������������ �������Ƴ����������� �������Ƴ�������备运转正常后,将水量调整到设计水量。
3、设备排泥通常每2天操作一次,雨季时每天排泥一次。����� �������Ƴ������������ �������Ƴ������������ �������Ƴ������������ �������Ƴ�������
4、若设备停用一星期以上,����� �������Ƴ������������ �������Ƴ������������ �������Ƴ������������ �������Ƴ�������在停用前必须开启排泥阀和冲洗阀,待设备内����� �������Ƴ������������ �������Ƴ������������ �������Ƴ����������� �������Ƴ�������泥排干净后再停用。
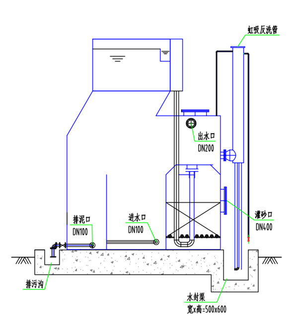
5、设备通常一年保养一次,检查����� �������Ƴ������������ �������Ƴ������������ �������Ƴ������������ �������Ƴ�������项目主要有进出水装置、辅助虹吸管、冲洗污����� �������Ƴ������������ �������Ƴ������������ �������Ƴ������������ �������Ƴ�������泥等。
七、设备特点
1、不用电 —水力自动化+无压供水设计,曝气、溶氧、精滤、反洗无电力运行,����� �������Ƴ������������ �������Ƴ������������ �������Ƴ������������ �������Ƴ�������用电成本可减少90%以上;
2、不换滤料 —滤层反洗彻底,滤料不会板结,不需人工清����� �������Ƴ������������ �������Ƴ����������� �������Ƴ����������� �������Ƴ������理、更换(使用3~5年后增补少量即可),减少每年滤层清洗、更换相����� �������Ƴ����������� �������Ƴ������������ �������Ƴ����������� �������Ƴ�������关开支;
3、使用灵活 —设备尺寸小、运输安装方便;城镇、����� �������Ƴ������������ �������Ƴ������������ �������Ƴ����������� �������Ƴ�������乡村、山区都可以安装使用;
4、机型丰富—单台处理能力3~240吨/小时,满足各种水量要求;
5、体积小—集絮凝、沉淀、曝气、溶氧、����� �������Ƴ������������ �������Ƴ������������ �������Ƴ������������ �������Ƴ�������过滤、自动反洗功能为一体,施工及采����� �������Ƴ������������ �������Ƴ����������� �������Ƴ������������ �������Ƴ�������购成本减少30%以上;
6、过滤精度高—对泥沙、有机物、悬浮物、����� �������Ƴ����������� �������Ƴ������������ �������Ƴ������������ �������Ƴ�������铁锰金属离子等去除率99%以上,出水浊度可保持在0.4~1NTU(根据用户需求调整);
7、操作简单 —设备自动运行不用电,无需专业����� �������Ƴ����������� �������Ƴ������������ �������Ƴ������������ �������Ƴ�������人员操作,后期管理及运行成本可减少����� �������Ƴ������������ �������Ƴ����������� �������Ƴ������������ �������Ƴ�������70%以上。
八、设备出水效果
一体化净水处理设备已在多省份的饮用水项目中����� �������Ƴ������������ �������Ƴ������������ �������Ƴ������������ �������Ƴ�������得到大量应用,出水经检测符����� �������Ƴ����������� �������Ƴ������������ �������Ƴ������������ �������Ƴ������合《生活饮用水卫生标准》GB5749-2022相关指标要求。
一体化净水处理设备相比传统滤池����� �������Ƴ������������ �������Ƴ����������� �������Ƴ������������ �������Ƴ�������设备具有体积小、易运输安装、自动运行、自动反����� �������Ƴ������������ �������Ƴ������������ �������Ƴ������������ �������Ƴ�������洗、无耗能、耐腐蚀等特点。高����� �������Ƴ������������ �������Ƴ������������ �������Ƴ������������ �������Ƴ�������效去除河水、山泉、水库等地表水中泥沙、����� �������Ƴ����������� �������Ƴ������������ �������Ƴ������������ �������Ƴ�������藻类、细菌、悬浮物、铁锰离子、异味等,����� �������Ƴ������������ �������Ƴ������������ �������Ƴ������������ �������Ƴ�������广泛应用于各类自来水厂、地表水处理、农村生活用水����� �������Ƴ������������ �������Ƴ������������ �������Ƴ����������� �������Ƴ�������、河水饮用净化。
更多关于一体化净水设备的相关资料,可关注公司网站(www.sdmzj.com����� �������Ƴ������������ �������Ƴ������������ �������Ƴ����������� �������Ƴ�������)!




